Elektronika prodavacka.cz E-mail: objednavky@prodavacka.cz Telefon: 607907273
CZK
xxx
Kč
???
MENU
Home - titulní strana
Obchodní podmínky
Reklamační řád
GDPR
Novinky
Akční nabídka
Doprava zboží
Kontakt
Návody a příklady
Nabídka zboží
Arduino
Audio, hudba, MP3, zvuk
Baterie a nabíječky
Bluetooth moduly
Chytré hodinky
Čidla a senzory
Detekce pohybu
Detektory plynů
IR - infra
Laser
Světlo
Teplota
Tlak
Váha - hmotnost
Vibrace
Vlhkost
Zvuk, ultrazvuk
Detektory
Disky SSD, USB Flash disky
Displeje
Fotovoltaika - Solární panely
GSM moduly
Kabely propojovací
Kamery
Klávesnice, joystick, myš
Konektory a redukce
LED diody
Motory
Napájecí zdroje, adaptéry
Optika
Ostatní příslušenství
Paměti, SD karty, ukládání dat
Počítače PC
Pole a desky pro zapojení
Přístroje a nástroje
Programátory, převodníky
Relé, elekromagnety, spínače
Reproduktory
RFID zařízení
Sady součástek k Arduinu
Spoje, šrouby, matice
Stavebnice - roboti
Teploměry a termostaty
Tlačítka, spínače
Voltmetry - měřidla
WIFI moduly - Ethernet
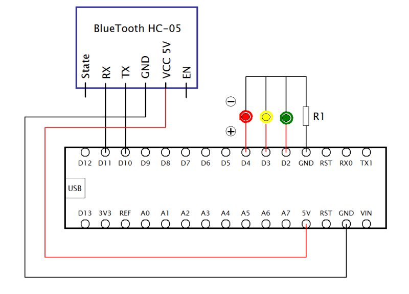
Bluetooth - HC-05
Více je zde
Modul Bluetooth HC-05 umožňuje na krátkou vzdálenost ovládání Arduina
pomocí aplikace v mobilu.
Více informací je
zde
Pro příklad jsem zvolil ovládání tří LED diod pomocí mobilní aplikace "Serial Bluetooth Terminal".
Zapojte Arduino, Bluetooth - HC-05 a tři LED diody podle přiloženého schematu.
Po spuštění by měl být modul ve spojení s Arduinem aktivní
a měl by být vidět v okolních zařízeních Bluetooth jako zařízení "HC-05".
Aktivujte v mobilu nainstalovanou aplikaci "Serial Bluetooth Terminal"
a v ní povolte spárování se zařízením "HC-05".
V případě úspěšného spárování se vypíše hlášení "Connected".
Postupným odesláním znaků nula, jedna, dva nebo tři ovládáte diody.
Určitě si umíte představit, že můžete ovládat nejen LED diody,
ale i motory, světla v domě nebo i rolety a další zařízení v dosahu Bluetooth.
Hodně úspěchů přeje
VÝHODNÁ DOPRAVA
Při nákupu zboží nad 2000 Kč s DPH máte dopravu úplně zdarma.
KVALITA ZBOŽÍ
Garantujeme kvalitu zboží.
ZBOŽÍ SKLADEM
Nejčastěji objednávané zboží máme skladem. Garantujeme rychlé dodání, Zboží expedujeme každý pracovní den.
OVĚŘENO ZÁKAZNÍKY
Těší nás, že se k nám zákazníci rádi vrací a kladně hodnotí naše zboží i servis. Děkujeme za zpětnou vazbu.
Odebírat novinky - Vložte svůj e-mail pro zasílání zpráv:
(c) Elektronika prodavacka.cz
prodavacka@hradiste.cz
čas zpracování: 0,381 sekund